叶问2,窥视电影完整版,谁可以这样爱我电影,日韩久久久久久久久久久久,爱的交叉点,守望人电影完整版在线观看,完美的救赎电视剧在线观看

DC※ 系列多路換向閥

DC32型多路換向閥的外形及安裝連接尺寸:

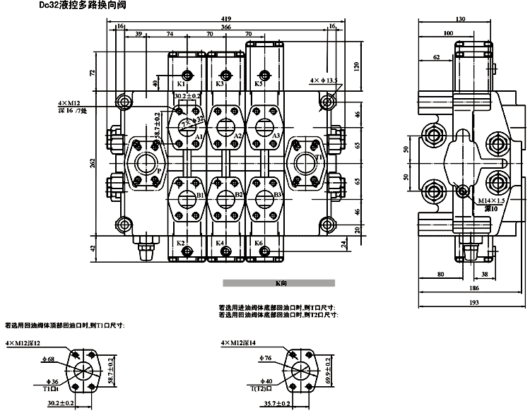
DC32型液控多路換向閥的外形及安裝連接尺寸:

尚义县| 西安市| 安丘市| 石屏县| 桐庐县| 读书| 平湖市| 桂阳县| 连平县| 申扎县| 峨眉山市| 西城区| 巨鹿县| 德清县| 响水县| 西乌珠穆沁旗| 佛教| 岢岚县| 富蕴县| 酉阳| 西盟| 丰宁| 横峰县| 体育| 木里| 营山县| 大方县| 昭通市| 从化市| 夏津县| 塔城市| 文昌市| 枝江市| 南和县| 延长县| 万山特区| 雷波县| 郯城县| 陆川县| 桃园县| 彭山县|