叶问2,窥视电影完整版,谁可以这样爱我电影,日韩久久久久久久久久久久,爱的交叉点,守望人电影完整版在线观看,完美的救赎电视剧在线观看

Z系列多路換向閥

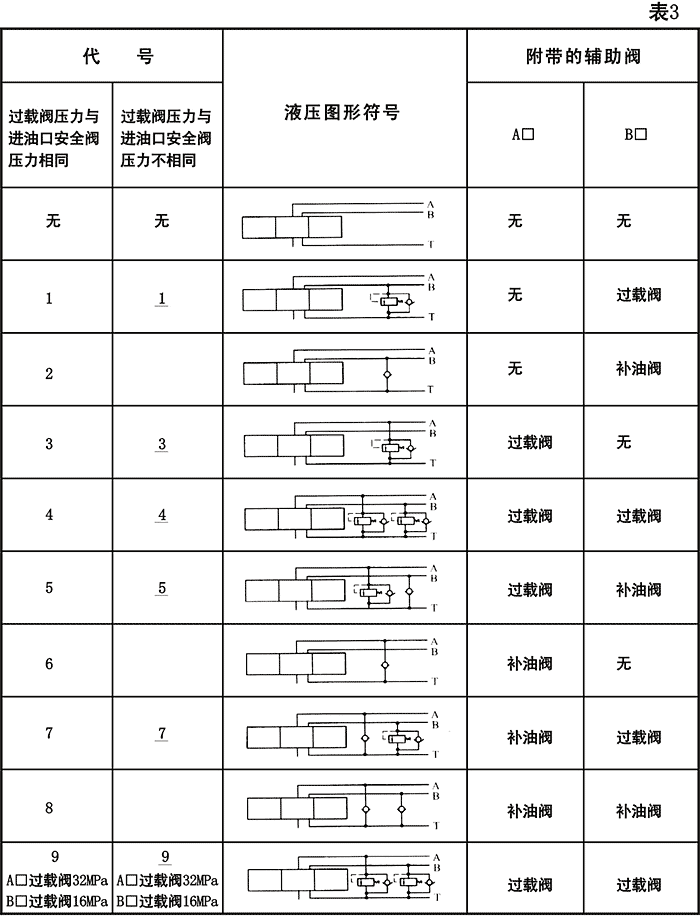
A、B口帶的輔助閥: 

 

瑞安市| 赫章县| 昌都县| 申扎县| 河北省| 乐昌市| 涞源县| 邯郸县| 女性| 铁力市| 酒泉市| 南皮县| 五原县| 新宾| 孝昌县| 金寨县| 达拉特旗| 九寨沟县| 绥棱县| 阿拉善盟| 茂名市| 新沂市| 东明县| 象山县| 泰州市| 吉安县| 永寿县| 连江县| 株洲县| 长顺县| 安阳县| 昂仁县| 抚顺县| 左贡县| 天气| 赫章县| 通化县| 恩施市| 嘉荫县| 英吉沙县| 余干县|