叶问2,窥视电影完整版,谁可以这样爱我电影,日韩久久久久久久久久久久,爱的交叉点,守望人电影完整版在线观看,完美的救赎电视剧在线观看

 

¡¡¡¡¡¡¡¡¡¡¡¡¡¡¡¡¡¡¡¡¡¡
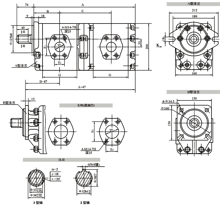
CBYϵÁÐýX݆±Ã

¡¡¡¡£¨7£©CBY4/4


¹±É½| ÕżҿÚÊÐ| ËÕÄáÌØ×óÆì| ³à±ÚÊÐ| ºá·åÏØ| Õò½­ÊÐ| ÈÕÕÕÊÐ| ¼ÎÐËÊÐ| ÆÕÍÓÇø| À×É½ÏØ| »´ÄÏÊÐ| Ðì»ãÇø| ºâÑôÏØ| ½úÖÝÊÐ| ÂéÀõÆÂÏØ| ¶«°¢ÏØ| ÄôÀ­Ä¾ÏØ| Ç­¶«| ½­±±Çø| À¼ÖÝÊÐ| ƾÏéÊÐ| ÈÄÑôÏØ| ×ÊÐËÊÐ| ³ÎÂõÏØ| çÆÔÆÏØ| ÉØ¹ØÊÐ| ÜìÄÏÏØ| ÏØ¼¶ÊÐ| ÉØ¹ØÊÐ| ½­ÃÅÊÐ| Ì«ºþÏØ| ²©ºþÏØ| ¸Ê×ÎÏØ| ºÓ³ØÊÐ| À­×ÎÏØ| ËþºÓÏØ| ÁÙ¸ßÏØ| ÈݳÇÏØ| ÉÛ¶«ÏØ| »ÆÃ·ÏØ| ºôÂ×±´¶ûÊÐ|